Description
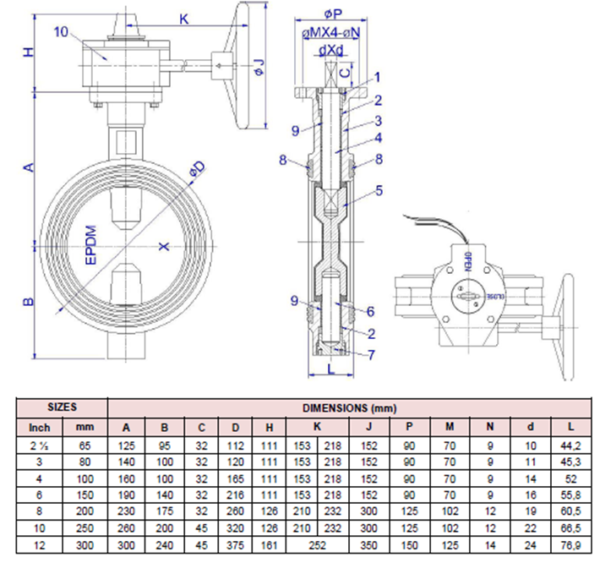
شیر پروانه ای ویفر مدل VM-300-W دارای یک عملگر چرخ دنده ای آرام بند دستی است که به صورت تاثیرگذاری ضربه قوچ را در سیستم کاهش میدهد. این شیر ها در شرایط کاملاً باز، دارای حداقل محدودیت جریان و افت فشار هستند.
شیرهای پروانه ای به گونه ای طراحی شده اند که در هر جهت قابل نصب بوده وحالت باز یا بسته بودن شیر از طریق ارسال سیگنال قابل ردیابی می باشد.
این مدل شیر پروانه ای ویفر ( WAFER ) باید با استفاده از اتصالات تایید شده به سیستم لوله کشی وصل شود. در این شیر جریان ممکن است از هر جهت باشد و شیر در هر موقعیت قرار بگیرد.
مشخصات
Model WM-300-W Butterfly valve FM/UL Wafer 300 psi Gear Operated with tamper switch
Sizes 2 ½” DN65 3” DN80 4” DN100 6” DN150 8” DN 200 10” DN250 (1) 12” DN300 (1)
End connection Wafer
Operated Gear Position Indicator Tamper Switch
Working pressure 300 psi (21,4 bar)
Maximum working pressure 600 psi (42,8 bar)
Maximum working temp.250º F (120ºC)
Coating Fusion bonded epoxy coating in accordance with ANSI/AWWA C550
Finish Fire red RAL 3000
استانداردها و تاییدیه ها
FM
UL



